南京日合五金机电设备有限公司    样本下载    响应式网站    我的淘宝网    我的阿里巴巴   
设为首页 加入收藏夹 联系我们
电话:025-52217447、86629730 QQ:349831866
图文传真:025-52300551 联系人:刘长岭 13801591302
首页 | 产品大全 | 技术知识 | 行业新闻 | 营业执照 | 企业商标 | 汇款资料 | 产品介绍 | 联系我们 | 图纸下载 | 论坛
搜索:

手机号:13801591302

您现在的位置是:首页 --->产品大全
UCPA201轴承、UCPA202轴承、UCPA203轴承、UCPA204轴承、UCPA205轴承、UCPA206轴承、UCPA207轴承、UCPA208轴承、UCPA209轴承、UCPA210轴承
生产厂家:南京哈宁轴承制造有限公司
公司地址:江苏省南京市莫愁路195号
联系电话:025-86629730、52217447、52251441
公司传真:025-52300551
联 系 人:刘长岭 13801591302
联系邮件:hrbn@vip.qq.com
产品价格:¥.00
网上报价:¥.00
在线支付系统!    定货电话:13801591302   QQ:349831866

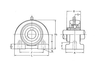
軸徑
(mm)
連 座
軸 承
型 番
主 要 寸 法 (mm) 軸 承 部 份 軸承座
型 番
總重量
型番 基本額定荷重(Kn) 標準
H L A J N ln H1 H2 B S Cr C0r
12 UCPA201 30.2 76 38 52 M10*1.5 12 8 62 31 12.7 UC201 12.8 6.6 PA204 0.59
15 UCPA202 30.2 76 38 52 M10*1.5 12 8 62 31 12.7 UC202 12.8 6.6 PA204 0.57
17 UCPA203 30.2 76 38 52 M10*1.5 12 8 62 31 12.7 UC203 12.8 6.6 PA204 0.56
20 UCPA204 30.2 76 38 52 M10*1.5 12 8 62 31 12.7 UC204 12.8 6.6 PA204 0.54
25 UCPA205 36.5 84 38 56 M10*1.5 15 10 72 34.1 14.3 UC205 14 7.9 PA205 0.73
30 UCPA206 42.9 94 48 66 M14*2 18 10 84 38.1 15.9 UC206 19.6 11.3 PA206 1.11
35 UCPA207 47.6 110 48 80 M14*2 20 12 95 42.9 17.5 UC207 25.9 15.4 PA207 1.63
40 UCPA208 49.2 116 54 84 M14*2 20 12 100 49.2 19 UC208 29.3 17.9 PA208 1.85
45 UCPA209 54.2 120 54 90 M14*2 25 12 108 49.2 19 UC209 33 20.5 PA209 2.11
50 UCPA210 57.2 130 60 94 M16*2 25 14 116 51.6 19 UC210 35.5 23.2 PA210 2.52
产品分类
  微型深沟球轴承   深沟球轴承   调心球轴承   圆柱滚子轴承   调心滚子轴承   滚针轴承   角接触球轴承
  圆锥滚子轴承   推力球轴承   平面滚子轴承   偏心轴承   直线轴承   含油轴承   杆端轴承
  滚轮轴承   不锈钢轴承   叉车轴承   单向轴承   导轨滑块   组合轴承   英制球轴承
  汽车轴承   塑料轴承   高温轴承   关节轴承   滑动轴承座   外球面轴承   部分式轴承座
  紧定套   退卸套、锁紧螺母   外球面轴承座   外球面轴承带座   胀套、胀紧链接套   分离轴承   推力滚子轴承
  丝杠轴承   交叉滚子轴承   罗拉轴承   滚珠丝杆   转盘轴承   十字架轴承   双列球轴承
  钻具轴承   直线滑块   冲压轴承座   滚柱交叉导轨   推力调心滚子轴承   轴承技术参数   非标轴承
  长圆柱滚子轴承   推力关节轴承   锌合金轴承座   轴承型号对照表   轴承座框架   英制圆锥滚子轴承   双列满滚子轴承
  直线轴承支撑   退卸套附件   水泵轴承   轴承附件、轴承配件   串联轴承   万向节、十字接   输送机专用轴承座
  回转支承   逆止器、超越离合器   弹性膜片联轴器   梯形丝杆   滚动花键副   滚珠丝杠副   滚动直线导套副
  轴承加热器   薄壁角接触球轴承   薄壁深沟球轴承   ABBA台湾   SBC韩国   HIWIN台湾上银   SAMICK韩国
  HSK台湾   CPC台湾滑块   JMC韩国   TAC台湾   STAR德国力士乐   SKF瑞典   NACHI轴承
  TBI滚珠丝杠   LSK导轨滑块   NSK哈宁轴承   PMI台湾银泰   THK滑块滚珠丝杠   AM德国丝杠   ASAHI轴承座
  光轴、活塞杆
友情链接 | 外球面轴承样本 | CAD样本下载 | 含油轴承样本 | 官方网站 | 哈宁滑块参数 | PMI导轨滑块滚珠丝杆 | 哈宁CAD下载 | 进口轴承参数 | 哈宁论坛 | 轴承门户网
关于我们 - 设为首页 - 加入收藏 - 营业执照 - 企业商标 - 汇款资料 - 产品介绍 - 联系我们 - 友情连接
单位:南京日合五金机电设备有限公司
地址:江苏南京江宁区禄口秦禄大道2号永聘市场10区4栋105号
苏ICP备16004265号-1