南京日合五金机电设备有限公司    样本下载    响应式网站    我的淘宝网    我的阿里巴巴   
设为首页 加入收藏夹 联系我们
电话:025-52217447、86629730 QQ:349831866
图文传真:025-52300551 联系人:刘长岭 13801591302
首页 | 产品大全 | 技术知识 | 行业新闻 | 营业执照 | 企业商标 | 汇款资料 | 产品介绍 | 联系我们 | 图纸下载 | 论坛
搜索:

手机号:13801591302

您现在的位置是:首页 --->产品大全
GGB35滑块、GGB35滑块样本、GGB35滑块参数、GGB35南京滑块、GGB35导轨、AZI滑块、AZI导轨
生产厂家:南京哈宁轴承制造有限公司
公司地址:江苏省南京市莫愁路99号
联系电话:025-86629730、52217447、86622491
公司传真:025-52300551(电话:86622492、86622493)
联 系 人:刘长岭 13801591302
联系邮件:hrbn@vip.qq.com
产品价格:¥.00
网上报价:¥.00
在线支付系统!    定货电话:13801591302   QQ:349831866

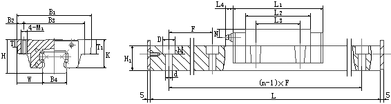
型 号

导轨副

滑块尺寸

尺寸

H

W

B1

B2

B3

K

T

T1

M1

L1

L2

L3

GGB16AA

24

15.5

47

4.5

38

19.4

7

11

M5

58

40.5

30

GGB20AA

30

21.5

63

5

53

24

10

10

M6

70

50

40

GGB20AAL

86

66

GGB25AA

37

23.5

70

6.5

57

30.5

12

16

M8

79.5

59

45

GGB25AAL

-36

98.5

78

GGB30AA

42

31

90

9

72

35

10

18

M10

95.2

70

52

GGB30AAL

117.2

92

GGB35AA

48

33

100

9

82

38

13

21

M10

107.8

81

62

GGB35AAL

131.8

105

GGB45AA

62

37.5

120

10

100

51

15

25

M12

135

102

80

GGB45AAL

-60

163

130

GGB55AA

70

43.5

140

12

116

57

20

29

M14

161

118

95

GGB55AAL

199

156

GGB65AA

90

53.5

170

14

142

76

23

37

M16

195

147

110

GGB65AAL

255

207

GGB85AA

110

65

215

15

185

94

30

55

M20

243.4

179

140

GGB85AAL

300.4

236

 导轨尺寸

油杯尺寸

额定

额定

额定力矩

动载

静载

d×D×h

B4

H1

F

单根

L4

G

N

C

C0

MA

MB

MC

最大

(KN)

(KN)

(N.m)

(N.m)

(N.m)

长度Lmax

 

 

 

 

 

4.5×7.5×5.3

16

15

60

500

2.5

Φ4

4

6.07

6.8

55.5

55.5

88.8

6×9.5×8.5

20

18

60

1400

11

M6

6

11.6

14.5

92.4

92.4

154

13.6

20.3

121.8

121.8

203

7×11×9

23

22

60

3000

11

M6

7.2

17.7

22.6

149.8

149.8

246

20.7

34.97

244.8

244.8

402

9×14×12

28

26

80

3000

11

M6

7

27.6

34.4

311.3

311.3

546

33.4

45.8

560

560

745.2

9×14×12

34

29

80

3000

11

M6

8

35.1

47.2

488

488

790

39.96

64.85

681

681

1102.45

14×20×16

45

38

100

3000

11

M6

12

42.5

71

848

848

1448

-105

64.4

102.1

1345.4

1345.4

2247.25

16×23×20

53

44

120

3000

14

M8×1

12

79.4

101

1547

1547

2580

92.2

142.5

2264.3

2264.3

3776.25

18×26×22

63

53

150

3000

14

M8×1

12

115

163

3237

3237

4860

148

224.5

4627.5

4627.5

6945.75

24×35×28

85

65

180

3000

14

M8×1

14

172.2

257.4

6076.4

6076.4

12842

202.3

327.6

9946.3

9946.3

15410

型号

导轨副尺寸

滑块尺寸

参考

价格

H

W

B1

B2

B3

K

T

M1×L0

L1

L2

L3

 

 

GGB16BA

28

9

34

4

26

23.4

6

M4×5.0

58

40.5

26

 

GGB20BA

30

12

44

6

32

24

8

M5×5

70

50

36

 

GGB20BAL

86

66

50

 

GGB25BA

40

12.5

48

6.5

35

33.1

8

M6×8

79.5

59

35

 

GGB25BAL

98.5

78

50

 

GGB30BA

45

16

60

10

40

38

8

M8×10

95.2

70

40

 

GGB30BAL

117.2

92

60

 

GGB35BA

55

18

70

10

50

47

10

M8×12

107.8

81

50

 

GGB35BAL

131.8

105

72

 

GGB45BA

70

20.5

86

13

60

60

15

M10×16

135

102

60

 

GGB45BAL

163

130

80

 

GGB55BA

80

23.5

100

12.5

75

67

18

M12×18

161

118

75

 

GGB55BAL

199

156

95

 

GGB65BA

90

31.5

126

25

76

76

23

M16×16

195

147

70

 

GGB65BAL

255

207

120

 

GGB85BA

110

39

163

31.5

100

94

30

M18×25

243.4

179

80

 

GGB85BAL

300.4

236

140

 

导轨尺寸

油杯尺寸

额定

额定

额定力矩

动载

静载

d×D×h

B4

H1

F

单根

L4

G

N

C

C0

MA

MB

MC

最大

(KN)

(KN)

(N.m)

(N.m)

(N.m)

长度Lmax

 

 

 

 

 

4.5×7.5×5.3

16

15

60

500

2.5

Φ4

9

6.07

6.8

55.5

55.5

88.8

6×9.5×8.5

20

18

60

1400

11

M6

5

11.6

14.5

92.4

92.4

154

13.6

20.3

121.8

121.8

203

7×11×9

23

22

60

3000

11

M6

10.2

17.7

22.6

149.8

149.8

246

20.7

34.97

244.8

244.8

402

9×14×12

28

26

80

3000

11

M6

10

27.6

34.4

311.3

311.3

546

33.4

45.8

560

560

745.2

9×14×12

34

29

80

3000

11

M6

17

35.1

47.2

488

488

790

39.96

64.85

681

681

1102.45

14×20×16

45

38

100

3000

11

M6

21

42.5

71

848

848

1448

-105

64.4

102.1

1345.4

1345.4

2247.25

16×23×20

53

44

120

3000

14

M8×1

22

79.4

101

1547

1547

2580

92.2

142.5

2264.3

2264.3

3776.25

18×26×22

63

53

150

3000

14

M8×1

12

115

163

3237

3237

4860

148

224.5

4627.5

4627.5

6945.75

24×35×28

85

65

180

3000

14

M8×1

14

172.2

257.4

6076.4

6076.4

12842

202.3

327.6

9946.3

9946.3

15410

产品分类
  微型深沟球轴承   深沟球轴承   调心球轴承   圆柱滚子轴承   调心滚子轴承   滚针轴承   角接触球轴承
  圆锥滚子轴承   推力球轴承   平面滚子轴承   偏心轴承   直线轴承   含油轴承   杆端轴承
  滚轮轴承   不锈钢轴承   叉车轴承   单向轴承   导轨滑块   组合轴承   英制球轴承
  汽车轴承   塑料轴承   高温轴承   关节轴承   滑动轴承座   外球面轴承   部分式轴承座
  紧定套   退卸套、锁紧螺母   外球面轴承座   外球面轴承带座   胀套、胀紧链接套   分离轴承   推力滚子轴承
  丝杠轴承   交叉滚子轴承   罗拉轴承   滚珠丝杆   转盘轴承   十字架轴承   双列球轴承
  钻具轴承   直线滑块   冲压轴承座   滚柱交叉导轨   推力调心滚子轴承   轴承技术参数   非标轴承
  长圆柱滚子轴承   推力关节轴承   锌合金轴承座   轴承型号对照表   轴承座框架   英制圆锥滚子轴承   双列满滚子轴承
  直线轴承支撑   退卸套附件   水泵轴承   轴承附件、轴承配件   串联轴承   万向节、十字接   输送机专用轴承座
  回转支承   逆止器、超越离合器   弹性膜片联轴器   梯形丝杆   滚动花键副   滚珠丝杠副   滚动直线导套副
  轴承加热器   薄壁角接触球轴承   薄壁深沟球轴承   ABBA台湾   SBC韩国   HIWIN台湾上银   SAMICK韩国
  HSK台湾   CPC台湾滑块   JMC韩国   TAC台湾   STAR德国力士乐   SKF瑞典   NACHI轴承
  TBI滚珠丝杠   LSK导轨滑块   NSK哈宁轴承   PMI台湾银泰   THK滑块滚珠丝杠   AM德国丝杠   ASAHI轴承座
  光轴、活塞杆
友情链接 | 外球面轴承样本 | CAD样本下载 | 含油轴承样本 | 响应式网站 | 哈宁滑块参数 | PMI导轨滑块滚珠丝杆 | 哈宁CAD下载 | 进口轴承参数 | 哈宁论坛 | 手机版
关于我们 - 设为首页 - 加入收藏 - 营业执照 - 企业商标 - 汇款资料 - 产品介绍 - 联系我们 - 友情连接
单位:南京日合五金机电设备有限公司
地址:江苏南京江宁区禄口秦禄大道2号永聘市场10区4栋105号
苏ICP备16004265号-1