
|
B |
许用 |
许用 |
D |
轴承 |
轴承座 |
光 面 |
胶 面 |
|
|
扭矩 |
合力 |
|
型号 |
|
|
mm |
kN·N |
kN |
mm |
|
图号 |
转动惯量 |
质量 |
图号 |
转动惯量 |
质量 |
人字形图号 |
菱形图号 |
|
|
|
|
|
|
|
kg ·m2 |
kg |
kg·m2 |
kg |
|
500 |
2.7 |
49 |
500 |
1316 |
DTⅡZ1208 |
5 |
250 |
DTⅡ01A4081 |
6 |
264 |
DTⅡ01A4083Y Z |
DTⅡ01A4084 |
|
650 |
3.5 |
40 |
DTⅡZ1308 |
6.5 |
280 |
DTⅡ02A4081 |
7.8 |
298 |
DTⅡ02A4083Y Z |
DTⅡ02A4084 |
|
4.1 |
630 |
|
16.3 |
324 |
DTⅡ02A5081 |
18.5 |
347 |
DTⅡ02A5083Y Z |
DTⅡ02A5084 |
|
6.3 |
59 |
500 |
3520 |
DTⅡZ1210 |
6.5 |
376 |
DTⅡ02A4101 |
7.8 |
393 |
DTⅡ02A4103Y Z |
DTⅡ02A4104 |
|
7.3 |
80 |
630 |
DTⅡZ1310 |
16.3 |
429 |
DTⅡ02A5101 |
18.5 |
451 |
DTⅡ02A5103Y Z |
DTⅡ02A5104 |
|
800 |
4.1 |
40 |
500 |
|
7.8 |
432 |
DTⅡ03A4101 |
9.8 |
453 |
DTⅡ03A4103Y Z |
DTⅡ03A4104 |
|
6 |
50 |
630 |
|
19.5 |
492 |
DTⅡ03A5101 |
23.5 |
521 |
DTⅡ03A5103Y Z |
DTⅡ03A5104 |
|
7 |
800 |
|
|
|
|
25 |
782 |
DTⅡ03A6103Y Z |
DTⅡ03A6104 |
|
12 |
80 |
630 |
3524 |
DTⅡZ1212 |
23.8 |
752 |
DTⅡ03A5121 |
29.5 |
776 |
DTⅡ03A5123Y Z |
DTⅡ03A5124 |
|
800 |
DTⅡZ1312 |
|
|
|
58 |
887 |
DTⅡ03A6123Y Z |
DTⅡ03A6124 |
|
20 |
100 |
630 |
3528 |
DTⅡZ1114 |
28.5 |
844 |
DTⅡ03A5141 |
32 |
920 |
DTⅡ03A5143Y Z |
DTⅡ03A5144 |
|
2×16 |
DTⅡZ1214 |
|
|
|
32 |
967 |
DTⅡ03A5143S |
DTⅡ03A5144S |
|
20 |
110 |
800 |
DTⅡZ1314 |
|
|
|
66.3 |
1095 |
DTⅡ03A6143Y Z |
DTⅡ03A6144 |
|
2×16 |
|
|
|
|
66.3 |
1143 |
DTⅡ03A6143S |
DTⅡ03A6144S |
|
32 |
160 |
3532 |
DTⅡZ1116 |
|
|
|
67.5 |
1253 |
DTⅡ03A6163Y Z |
DTⅡ03A6164 |
|
DTⅡZ1216 |
|
2×23 |
DTⅡZ1316 |
|
|
|
67.5 |
1287 |
DTⅡ03A6163S |
DTⅡ03A6164S |
|
B |
D |
图号 |
A |
L |
L1 |
L2 |
K |
M |
N |
Q |
P |
H |
h |
h1 |
d |
b |
ds |
C |
n—dy |
|
500 |
500 |
DTⅡ01A4081 |
850 |
600 |
1114 |
495 |
140 |
70 |
- |
350 |
410 |
120 |
33 |
74.5 |
70 |
20 |
M20 |
22 |
2-M8×1 |
|
DTⅡ01A4083Y Z |
|
DTⅡ01A4084 |
|
650 |
DTⅡ02A4081 |
1000 |
750 |
1264 |
570 |
|
DTⅡ02A4083Y Z |
|
DTⅡ02A4084 |
|
630 |
DTⅡ02A5081 |
|
DTⅡ02A5083Y Z |
|
DTⅡ02A5084 |
|
500 |
DTⅡ02A4101 |
1324 |
590 |
170 |
80 |
- |
380 |
460 |
135 |
46 |
95 |
90 |
25 |
M24 |
26 |
4-M8×1 |
|
DTⅡ02A4103Y Z |
|
DTⅡ02A4104 |
|
630 |
DTⅡ02A5101 |
|
DTⅡ02A5103Y Z |
|
DTⅡ02A5104 |
|
500 |
DTⅡ02A4121 |
1050 |
1419 |
615 |
210 |
110 |
- |
440 |
530 |
155 |
116 |
110 |
28 |
32 |
|
DTⅡ02A4123Y Z |
|
DTⅡ02A4124 |
|
630 |
DTⅡ02A5121 |
|
DTⅡ02A5123Y Z |
|
DTⅡ02A5124 |
|
800 |
500 |
DTⅡ03A4101 |
1300 |
950 |
1624 |
740 |
170 |
80 |
- |
380 |
460 |
135 |
95 |
90 |
25 |
26 |
|
DTⅡ03A4103Y Z |
|
DTⅡ03A4104 |
|
630 |
DTⅡ03A5101 |
|
DTⅡ03A5103Y Z |
|
DTⅡ03A5104 |
|
800 |
DTⅡ03A6103Y Z |
|
DTⅡ03A6104 |
|
630 |
DTⅡ03A5121 |
1669 |
210 |
110 |
- |
440 |
530 |
155 |
116 |
110 |
28 |
M30 |
32 |
|
DTⅡ03A5123Y Z |
|
DTⅡ03A5124 |
|
800 |
DTⅡ03A6123Y Z |
|
DTⅡ03A6124 |
|
630 |
DTⅡ03A5141 |
1724 |
750 |
250 |
120 |
- |
480 |
570 |
170 |
63 |
137 |
130 |
32 |
37 |
|
DTⅡ03A5143Y Z |
|
DTⅡ03A5144 |
|
DTⅡ03A5143S |
2000 |
1500 |
|
DTⅡ03A5144S |
|
800 |
DTⅡ03A6143Y Z |
1724 |
750 |
|
DTⅡ03A6144 |
|
DTⅡ03A6143S |
2000 |
1500 |
|
DTⅡ03A6144S |
|
DTⅡ03A6163Y Z |
1400 |
1839 |
800 |
200 |
105 |
520 |
640 |
200 |
60 |
158 |
150 |
36 |
43 |
4-M10×1 |
| DTⅡ03A6164 |
| DTⅡ03A6163S |
2100 |
1600 |
| DTⅡ03A6164S |

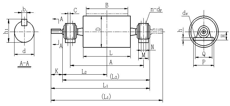
DT2型传动滚筒是传递动力的主要部件。本系列DT2传动滚筒根据承载能力分轻型、中型和重型三 种。滚筒直径有500、630、800、1000mm。同一种滚筒直径又有几种不同的轴径和中心跨 距供设计者选用。 轻型:轴承孔径80~100mm。轴与轮毂为单键联接的单幅板焊接筒体结构。单向出轴。 中型:轴承孔径120~180mm。轴与轮毂为胀套联接。 重型:轴承孔径200~220mm。轴与轮毂为胀套联接,筒体为铸焊结构。有单向出轴和 双向出轴两种。 传动滚筒表面有裸露光钢面、人字形和菱形花纹橡胶覆面。小功率、小带宽及环境干燥 时可采用裸露光钢面滚筒。人字形花纹胶面磨擦系数大,防滑性和排水性好,但有方向性。 菱形胶面用于双向运行的输送机。用于重要场合的滚筒,最好采用硫化橡胶覆面。用于阻燃, 隔爆条件,应采取相应的措施。最小传动滚筒直径D按下式选取。 D=cd, mm 式中d—芯层厚度或钢绳直径,mm; c—系数,棉织物=80,尼龙=90,聚酯=108,钢绳芯=145。 滚筒轴承座全部采用油杯式润滑脂润滑。 本系列dt2型传动滚筒图号如下:
| DTⅡ06A7224S |
DT206A7224S |
DTII06A7224S |
| DTⅡ01A4083 |
DT201A4083 |
DTII01A4083 |
| DTⅡ01A4084 |
DT201A4084 |
DTII01A4084 |
| DTⅡ02A4081 |
DT202A4081 |
DTII02A4081 |
| DTⅡ02A4083 |
DT202A4083 |
DTII02A4083 |
| DTⅡ02A4084 |
DT202A4084 |
DTII02A4084 |
| DTⅡ02A5081 |
DT202A5081 |
DTII02A5081 |
| DTⅡ01A4081 |
DT201A4081 |
DTII01A4081 |
| DTⅡ02A5084 |
DT202A5084 |
DTII02A5084 |
| DTⅡ02A4101 |
DT202A4101 |
DTII02A4101 |
| DTⅡ02A4103 |
DT202A4103 |
DTII02A4103 |
| DTⅡ02A4104 |
DT202A4104 |
DTII02A4104 |
| DTⅡ02A5101 |
DT202A5101 |
DTII02A5101 |
| DTⅡ02A5103 |
DT202A5103 |
DTII02A5103 |
| DTⅡ02A5104 |
DT202A5104 |
DTII02A5104 |
| DTⅡ03A4101 |
DT203A4101 |
DTII03A4101 |
| DTⅡ03A4103 |
DT203A4103 |
DTII03A4103 |
| DTⅡ03A4104 |
DT203A4104 |
DTII03A4104 |
| DTⅡ03A5101 |
DT203A5101 |
DTII03A5101 |
| DTⅡ03A5103 |
DT203A5103 |
DTII03A5103 |
| DTⅡ03A5104 |
DT203A5104 |
DTII03A5104 |
| DTⅡ03A6103 |
DT203A6103 |
DTII03A6103 |
| DTⅡ03A6104 |
DT203A6104 |
DTII03A6104 |
| DTⅡ03A5121 |
DT203A5121 |
DTII03A5121 |
| DTⅡ03A5123 |
DT203A5123 |
DTII03A5123 |
| DTⅡ03A5124 |
DT203A5124 |
DTII03A5124 |
| DTⅡ03A6123 |
DT203A6123 |
DTII03A6123 |
| DTⅡ03A6124 |
DT203A6124 |
DTII03A6124 |
| DTⅡ03A5141 |
DT203A5141 |
DTII03A5141 |
| DTⅡ03A5143 |
DT203A5143 |
DTII03A5143 |
| DTⅡ03A5144 |
DT203A5144 |
DTII03A5144 |
| DTⅡ03A5143S |
DT203A5143S |
DTII03A5143S |
| DTⅡ03A5144S |
DT203A5144S |
DTII03A5144S |
| DTⅡ03A6143 |
DT203A6143 |
DTII03A6143 |
| DTⅡ03A6144 |
DT203A6144 |
DTII03A6144 |
| DTⅡ03A6143S |
DT203A6143S |
DTII03A6143S |
| DTⅡ03A6144S |
DT203A6144S |
DTII03A6144S |
| DTⅡ03A6163 |
DT203A6163 |
DTII03A6163 |
| DTⅡ03A6164 |
DT203A6164 |
DTII03A6164 |
| DTⅡ03A6163S |
DT203A6163S |
DTII03A6163S |
| DTⅡ03A6164S |
DT203A6164S |
DTII03A6164S |
| DTⅡ04A5103 |
DT204A5103 |
DTII04A5103 |
| DTⅡ04A5104 |
DT204A5104 |
DTII04A5104 |
| DTⅡ04A5123 |
DT204A5123 |
DTII04A5123 |
| DTⅡ04A5124 |
DT204A5124 |
DTII04A5124 |
| DTⅡ04A6123 |
DT204A6123 |
DTII04A6123 |
| DTⅡ04A6124 |
DT204A6124 |
DTII04A6124 |
| DTⅡ04A7123 |
DT204A7123 |
DTII04A7123 |
| DTⅡ04A7124 |
DT204A7124 |
DTII04A7124 |
| DTⅡ04A6143 |
DT204A6143 |
DTII04A6143 |
| DTⅡ04A6144 |
DT204A6144 |
DTII04A6144 |
| DTⅡ04A6143S |
DT204A6143S |
DTII04A6143S |
| DTⅡ04A6144S |
DT204A6144S |
DTII04A6144S |
| DTⅡ04A7143 |
DT204A7143 |
DTII04A7143 |
| DTⅡ04A7144 |
DT204A7144 |
DTII04A7144 |
| DTⅡ04A7143S |
DT204A7143S |
DTII04A7143S |
| DTⅡ04A7144S |
DT204A7144S |
DTII04A7144S |
| DTⅡ04A6163 |
DT204A6163 |
DTII04A6163 |
| DTⅡ04A6164 |
DT204A6164 |
DTII04A6164 |
| DTⅡ04A6163S |
DT204A6163S |
DTII04A6163S |
| DTⅡ04A6164S |
DT204A6164S |
DTII04A6164S |
| DTⅡ04A7163 |
DT204A7163 |
DTII04A7163 |
| DTⅡ04A7164 |
DT204A7164 |
DTII04A7164 |
| DTⅡ04A7163S |
DT204A7163S |
DTII04A7163S |
| DTⅡ04A7164S |
DT204A7164S |
DTII04A7164S |
| DTⅡ04A6183 |
DT204A6183 |
DTII04A6183 |
| DTⅡ04A6184 |
DT204A6184 |
DTII04A6184 |
| DTⅡ04A6183S |
DT204A6183S |
DTII04A6183S |
| DTⅡ04A6184S |
DT204A6184S |
DTII04A6184S |
| DTⅡ04A7183 |
DT204A7183 |
DTII04A7183 |
| DTⅡ04A7184 |
DT204A7184 |
DTII04A7184 |
| DTⅡ04A7183S |
DT204A7183S |
DTII04A7183S |
| DTⅡ04A7184S |
DT204A7184S |
DTII04A7184S |
| DTⅡ04A7203 |
DT204A7203 |
DTII04A7203 |
| DTⅡ04A7204 |
DT204A7204 |
DTII04A7204 |
| DTⅡ04A7203S |
DT204A7203S |
DTII04A7203S |
| DTⅡ04A7204S |
DT204A7204S |
DTII04A7204S |
| DTⅡ05A5123 |
DT205A5123 |
DTII05A5123 |
| DTⅡ05A5124 |
DT205A5124 |
DTII05A5124 |
| DTⅡ05A6123 |
DT205A6123 |
DTII05A6123 |
| DTⅡ05A6124 |
DT205A6124 |
DTII05A6124 |
| DTⅡ05A7123 |
DT205A7123 |
DTII05A7123 |
| DTⅡ05A7124 |
DT205A7124 |
DTII05A7124 |
| DTⅡ05A5143 |
DT205A5143 |
DTII05A5143 |
| DTⅡ05A5144 |
DT205A5144 |
DTII05A5144 |
| DTⅡ05A5143S |
DT205A5143S |
DTII05A5143S |
| DTⅡ05A5144S |
DT205A5144S |
DTII05A5144S |
| DTⅡ05A6143 |
DT205A6143 |
DTII05A6143 |
| DTⅡ05A6144 |
DT205A6144 |
DTII05A6144 |
| DTⅡ05A6143S |
DT205A6143S |
DTII05A6143S |
| DTⅡ05A6144S |
DT205A6144S |
DTII05A6144S |
| DTⅡ05A7143 |
DT205A7143 |
DTII05A7143 |
| DTⅡ05A7144 |
DT205A7144 |
DTII05A7144 |
| DTⅡ05A7143S |
DT205A7143S |
DTII05A7143S |
| DTⅡ05A7144S |
DT205A7144S |
DTII05A7144S |
| DTⅡ05A6163 |
DT205A6163 |
DTII05A6163 |
| DTⅡ05A6164 |
DT205A6164 |
DTII05A6164 |
| DTⅡ05A6163S |
DT205A6163S |
DTII05A6163S |
| DTⅡ05A6164S |
DT205A6164S |
DTII05A6164S |
| DTⅡ05A7163 |
DT205A7163 |
DTII05A7163 |
| DTⅡ05A7164 |
DT205A7164 |
DTII05A7164 |
| DTⅡ05A7163S |
DT205A7163S |
DTII05A7163S |
| DTⅡ05A7164S |
DT205A7164S |
DTII05A7164S |
| DTⅡ05A6183 |
DT205A6183 |
DTII05A6183 |
| DTⅡ05A6184 |
DT205A6184 |
DTII05A6184 |
| DTⅡ05A6183S |
DT205A6183S |
DTII05A6183S |
| DTⅡ05A6184S |
DT205A6184S |
DTII05A6184S |
| DTⅡ05A7183 |
DT205A7183 |
DTII05A7183 |
| DTⅡ05A7184 |
DT205A7184 |
DTII05A7184 |
| DTⅡ05A7183S |
DT205A7183S |
DTII05A7183S |
| DTⅡ05A7184S |
DT205A7184S |
DTII05A7184S |
| DTⅡ05A6203 |
DT205A6203 |
DTII05A6203 |
| DTⅡ05A6204 |
DT205A6204 |
DTII05A6204 |
| DTⅡ05A6203S |
DT205A6203S |
DTII05A6203S |
| DTⅡ05A6204S |
DT205A6204S |
DTII05A6204S |
| DTⅡ05A7203 |
DT205A7203 |
DTII05A7203 |
| DTⅡ05A7204 |
DT205A7204 |
DTII05A7204 |
| DTⅡ05A7203S |
DT205A7203S |
DTII05A7203S |
| DTⅡ05A7204S |
DT205A7204S |
DTII05A7204S |
| DTⅡ05A7223 |
DT205A7223 |
DTII05A7223 |
| DTⅡ05A7224 |
DT205A7224 |
DTII05A7224 |
| DTⅡ05A7223S |
DT205A7223S |
DTII05A7223S |
| DTⅡ05A7224S |
DT205A7224S |
DTII05A7224S |
| DTⅡ06A6143 |
DT206A6143 |
DTII06A6143 |
| DTⅡ06A6144 |
DT206A6144 |
DTII06A6144 |
| DTⅡ06A6143S |
DT206A6143S |
DTII06A6143S |
| DTⅡ06A6144S |
DT206A6144S |
DTII06A6144S |
| DTⅡ06A7143 |
DT206A7143 |
DTII06A7143 |
| DTⅡ06A7144 |
DT206A7144 |
DTII06A7144 |
| DTⅡ06A7143S |
DT206A7143S |
DTII06A7143S |
| DTⅡ06A7144S |
DT206A7144S |
DTII06A7144S |
| DTⅡ05A6163 |
DT205A6163 |
DTII05A6163 |
| DTⅡ06A6164 |
DT206A6164 |
DTII06A6164 |
| DTⅡ06A6163S |
DT206A6163S |
DTII06A6163S |
| DTⅡ06A6164 |
DT206A6164 |
DTII06A6164 |
| DTⅡ06A7163 |
DT206A7163 |
DTII06A7163 |
| DTⅡ06A7164 |
DT206A7164 |
DTII06A7164 |
| DTⅡ06A7163S |
DT206A7163S |
DTII06A7163S |
| DTⅡ06A7164S |
DT206A7164S |
DTII06A7164S |
| DTⅡ06A6183 |
DT206A6183 |
DTII06A6183 |
| DTⅡ06A6184 |
DT206A6184 |
DTII06A6184 |
| DTⅡ06A6183S |
DT206A6183S |
DTII06A6183S |
| DTⅡ06A6184S |
DT206A6184S |
DTII06A6184S |
| DTⅡ06A7183 |
DT206A7183 |
DTII06A7183 |
| DTⅡ06A7184 |
DT206A7184 |
DTII06A7184 |
| DTⅡ06A7183S |
DT206A7183S |
DTII06A7183S |
| DTⅡ06A7184S |
DT206A7184S |
DTII06A7184S |
| DTⅡ06A6203 |
DT206A6203 |
DTII06A6203 |
| DTⅡ06A6204 |
DT206A6204 |
DTII06A6204 |
| DTⅡ06A6203S |
DT206A6203S |
DTII06A6203S |
| DTⅡ06A6204S |
DT206A6204S |
DTII06A6204S |
| DTⅡ06A7203 |
DT206A7203 |
DTII06A7203 |
| DTⅡ06A7204 |
DT206A7204 |
DTII06A7204 |
| DTⅡ06A7203S |
DT206A7203S |
DTII06A7203S |
| DTⅡ06A7204S |
DT206A7204S |
DTII06A7204S |
| DTⅡ06A7223 |
DT206A7223 |
DTII06A7223 |
| DTⅡ06A7224 |
DT206A7224 |
DTII06A7224 |
| DTⅡ06A7223S |
DT206A7223S |
DTII06A7223S |
| DTⅡ02A5083 |
DT202A5083 |
DTII02A5083 |






























|